XCC1510PS11Y

Opto-electronic rotary encoders XCC, incremental encoder Ø 58, solid shaft 10 mm, 1024 points, push pull

End of commercialisation Data do fim da comercialização : Data do fim do serviço :

Expandir tudo

Folha de dados

Range of product
OsiSense XCC
Encoder type
Incremental encoder
Product specific application
Not applicable
Encoder name
XCC
Enclosure material
Zamak
[Us] rated supply voltage
5...30 V DC
Shaft type
Solid shaft
Resolution
1024 points
Output stage
Type Y
Type of output stage
Driver push-pull
Electrical connection
1 male connector M23 radial 12 pins
IP degree of protection
IP65 conforming to IEC 60529
Current consumption
0...75 mA no-load
Protection type
Reverse polarity protection
short-circuit protection
Marking
CE
Residual ripple
500 mV
Vibration resistance
10 gn (f= 55-2000 Hz) conforming to IEC 60068-2-6
Maximum load
10 daN radial, 5 daN axial
Shock resistance
30 gn for 11 ms conforming to IEC 60068-2-27
Output level
Low level: 0.5 V maximum 20 mA, high level: V supply - 2.5 V minimum 20 mA
Base material
Aluminium
Shaft material
Stainless steel
Type of ball bearings
6000ZZ1
Unit type of package 1
PCE
Number of units in package 1
1
Package 1 height
14 CENTIMETER
Package 1 width
26.8 CENTIMETER
Package 1 length
9.8 CENTIMETER
Package 1 weight
454 GRAM
California proposition 65
WARNING: This product can expose you to chemicals including: Diisononyl phthalate (DINP), which is known to the State of California to cause cancer, and Di-isodecyl phthalate (DIDP), which is known to the State of California to cause birth defects or other reproductive harm. For more information go to www.P65Warnings.ca.gov

Expandir tudo

Desenhos técnicos

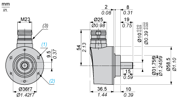
Dimensions

epds
  • (1) 3 M4 holes at 120° on 48 PCD, depth: 8 mm
  • (2) 3 M3 holes at 120° on 48 PCD, depth: 8 mm
  • (3) Nitrile seal

Wiring Diagram

Type Y Output Stage

epds
  • (1) RS 422 compatible on 5 V supply
  • (2) Encoder
  • (3) Processing
  • (4) Supply 5 V/30 V

Wiring Diagram

M23, 12-pin Connector Connections

epds

Expandir tudo

Documentos e downloads

Nome do documento
Data
Tamanho
Nome do documento
Data
Tamanho
Nome do documento
Data
Tamanho

Expandir tudo

Produtos e acessórios relacionados

img
XCCPM23121L10

Pre wired M23 female connector, for incremental encoder, cable 10 m

img
XCCPM23121L2

Pre wired M23 female connector, for incremental encoder, cable 2 m

img
XCCPM23121L5

Pre wired M23 female connector, for incremental encoder, cable 5 m

img
XCCR158RDAU37

reduction collar - for encoder Ø 58 - Ø 14 mm to 0.375 inch

img
XCCR158RDAU50

reduction collar - for encoder Ø 58 - Ø 14 mm to 0.5 inch

img
XCCRAR1008

shaft coupling - for encoder - with spring Ø 10 to 8 mm

img
XCCRAR1010

Shaft coupling, for encoder, with spring Ø 10 to 10 mm

img
XCCRAR1012

Shaft coupling, for encoder, with spring Ø 10 to 12 mm

img
XCCRAR1014

shaft coupling - for encoder - with spring Ø 10 to 14 mm

img
XCCRF5N

flexible mounting kit - anti-rotation - for encoder Ø 58

img
XCCRX10

Shielded cable, for incremental encoder

img
XCCRXS8

Shielded cable with twisted pairs, for absolute SSI encoder

img
XZCC23FDP120S

Female, M23, 12 pin, straight connector, for encoder

Back to top

arrow