XCMN2121L1

Limit switch, Limit switches XC Standard, XCMN, thermoplastic plastic roller lever plung. Hor, 1NC+1 NO, snap, 1 m

End of commercialisation End of commercialization date : December 30th 2024 End of service date : December 30th 2024

XCMN2121L1 is replaced by the following product:

img
XCMH2121L1

XCMH Limit Switches Miniature Plastic Plastic roller lever plunger horizontal actuation NC + NO Snap L1

Quantity :  1

Expand all

Datasheet

Range of product
Telemecanique Limit switches XC Standard
Series name
Standard format
Product or component type
Limit switch
Device short name
XCMN
Sensor design
Miniature
Body type
Fixed
Head type
Plunger head
Material
Plastic
Body material
Plastic
Head material
Zamak
Fixing mode
By the body
Movement of operating head
Linear
Type of operator
Spring return roller lever plunger thermoplastic
Type of approach
Lateral approach, 1 direction
Contacts type and composition
1 NC + 1 NO
Contact operation
Snap action
Switch actuation
By 30° cam
Electrical connection
Fixed cable
Cable composition
4 x 0.75 mm²
Wire insulation material
PvR
Contacts insulation form
Zb
Positive opening
With
Contact code designation
B300, AC-15 (Ue = 240 V), Ie = 1.5 A conforming to IEC 60947-5-1 appendix A, R300, DC-13 (Ue = 250 V), Ie = 0.1 A conforming to IEC 60947-5-1 appendix A
Resistance across terminals
25 MOhm conforming to IEC 60255-7 category 3
Shock resistance
25 gn for 18 ms conforming to IEC 60068-2-27
Vibration resistance
5 gn (f= 10-500 Hz) conforming to IEC 60068-2-6
IP degree of protection
IP65 conforming to IEC 60529
IK degree of protection
IK04 conforming to IEC 62262
Electrical shock protection class
Class II conforming to IEC 61140, class II conforming to NF C 20-030
Protective treatment
TC
Product certifications
CCC
CSA
UL
Standards
CSA C22.2 No 14
IEC 60204-1
IEC 60947-5-1
UL 508
Unit type of package 1
PCE
Number of units in package 1
1
Package 1 height
3.424 CENTIMETER
Package 1 width
17.425 CENTIMETER
Package 1 length
17.808 CENTIMETER
Package 1 weight
0.12 KILOGRAM
Unit type of package 2
S02
Number of units in package 2
30
Package 2 height
15 CENTIMETER
Package 2 width
30 CENTIMETER
Package 2 length
40 CENTIMETER
Package 2 weight
4.254 KILOGRAM
Unit type of package 3
BAG
Number of units in package 3
1
Package 3 height
1.5 CENTIMETER
Package 3 width
13 CENTIMETER
Package 3 length
13 CENTIMETER
Package 3 weight
0.124 KILOGRAM
Indivisible sale quantity
1
California proposition 65
WARNING: This product can expose you to chemicals including: Diisononyl phthalate (DINP), which is known to the State of California to cause cancer, and Di-isodecyl phthalate (DIDP), which is known to the State of California to cause birth defects or other reproductive harm. For more information go to www.P65Warnings.ca.gov

Expand all

Technical Drawings

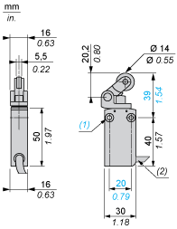
Dimensions

epds
  • (1) 2 fixing holes Ø 4.2 mm, counterbored Ø 8 mm by 4 mm deep.
  • (2) External diameter 7.5 mm.

Mounting

Sweep of Connecting Cable

epds
  • (1) : Recommended
  • (2) : To be avoided

Mounting

Mounting with Spacers

epds
  • (1) : Recommended
  • (2) : To be avoided
  • (1) : 2 spacers supplied with the XCMN switch
  • (2) : 2 screws Ø 4mm (not included)

Setting-up

Plunger or Multi-directional Heads

epds

Wiring diagram

2-pole NC + NO Snap Action

epds
  • (BK) Black
  • (BK-WH) Black White
  • (BN) Brown
  • (BU) Blue

Characteristics of Actuation

Switch Actuation by 30° Cam

epds

Functionnal Diagram

epds
  • (P) Positive opening point
  • (A) Cam displacement
  • (1) NC contact with positive opening operation
  • (2) Closed
  • (3) Open
  • (4) Tripping
  • (5) Resetting
  • (BK) Black
  • (BK-WH) Black White
  • (BN) Brown
  • (BU) Blue

Expand all

Documents & Downloads

Document name
Date
Size

Expand all

Related products & accessories

img
XCMN2121L2

Limit switch, Limit switches XC Standard, XCMN, thermoplastic plastic roller lever plung. Hor, 1NC+1 NO, snap, 2 m

Back to top

arrow