XCSRC30M12

Preventa RFID safety switch, Telemecanique Safety switches XCS, Single contactless Single model, 2 new re pairing enabled

End of comm. announced End of commercialization date : May 31st 2026 End of service date : December 31st 2026

XCSRC30M12 is replaced by the following product:

img
XCSRM30M12

Miniature Safety RFID switch, 3-time pairing enabled, single model, 5-pin, M12 connector

Quantity :  1

Expand all

Datasheet

Range of product
Telemecanique Safety switches XCS
Product or component type
Preventa RFID safety switch
Component name
XCSRC
Design
Rectangular, standard
Size
Transponder: 50 x 15 x 15 mm, reader: 108.3 x 30 x 15 mm
Material
Valox
Electrical connection
1 male connector
Connector type
M12 male
Type of output stage
Solid-state, PNP
Safety outputs
2 NO
Local signalling
Green, orange and red 2 multi-colour LEDs
Approach directions
3 directions-transponder with rotary sensing face
[Ue] rated operational voltage
24 V DC (- 20...10 %)SELV or PELV conforming to IEC 60204-1
Protection type
Short-circuit protection
Switching capacity in mA
200 mA
Switching frequency
<= 0.5 Hz
Discordance time
120 ms
Response time
120 ms typical
Delay first up
5 SECOND
Tightening torque
< 1.5 N.m
Standards
IEC 60947-5-2
IEC 60947-5-3
ISO 14119
Product certifications
CSA 22-2
E2
Ecolab
FCC
IC
RCM
TÜV
Marking
CE
cULus
EAC
FCC
IC
RCM
TÜV
Safety level
SIL 3 conforming to IEC 61508, SILCL 3 conforming to IEC 62061, PL = e conforming to ISO 13849-1, category 4 conforming to ISO 13849-1
Safety reliability data
PFHD = 5E-10/h conforming to IEC 62061, PFHD = 5E-10/h conforming to ISO 13849-1
Vibration resistance
10 gn (f= 10-150 Hz) conforming to IEC 60068-2-6
Shock resistance
30 gn for 11 ms conforming to IEC 60068-2-27
Electrical shock protection class
Class III conforming to IEC 61140
IP degree of protection
IP65 conforming to IEC 60529, IP66 conforming to IEC 60529, IP67 conforming to IEC 60529, IP69K conforming to DIN 40050
Unit type of package 1
PCE
Number of units in package 1
1
Package 1 height
4.2 CENTIMETER
Package 1 width
14.7 CENTIMETER
Package 1 length
16.3 CENTIMETER
Package 1 weight
0.106 KILOGRAM
Unit type of package 2
S01
Number of units in package 2
12
Package 2 height
15 CENTIMETER
Package 2 width
15 CENTIMETER
Package 2 length
40 CENTIMETER
Package 2 weight
2.27 KILOGRAM
Indivisible sale quantity
1
California proposition 65
WARNING: This product can expose you to chemicals including: Diisononyl phthalate (DINP), which is known to the State of California to cause cancer, and Di-isodecyl phthalate (DIDP), which is known to the State of California to cause birth defects or other reproductive harm. For more information go to www.P65Warnings.ca.gov

Expand all

Technical Drawings

Dimensions

epds

Connections

M12 Connector, 5-pin

epds
  • (1) + 24 VDC
  • (2) OSSD2
  • (3) 0 VDC
  • (4) OSSD1
  • (5) NC (Not connected)

Connections

Wiring Diagram: Connection to a Safety Relay

epds
  • (1) Transponder
  • (2) Reader
  • (3) Logic
  • (4) Start
  • (5) ESC: External start conditions
  • (6) H1: indicator light deactivated
  • (7) Fuse. Operating status of internal electronic fuse
  • (8) To PLC
  • (9) Power circuit

Connections

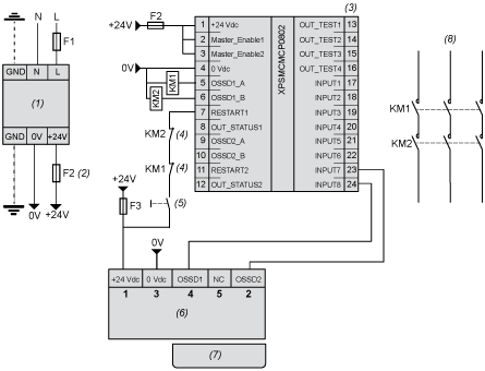
Wiring Diagram: Connection to a Safety Controller

epds
  • (1) Power supply
  • (2) 1 A max.
  • (3) Safety controller
  • (4) Feedback
  • (5) Restart
  • (6) Reader
  • (7) Transponder
  • (8) Power circuit

Mounting and Clearance

Mounting and Clearance

Face to Face Mounting (Preferred Configuration)

epds
  • e min. > 2 mm. (e: recommended minimum mounting distance between transponder and reader)
  • d : Detection limit

Mounting and Clearance

Side by Side Mounting

epds
  • e: Recommended minimum mounting distance between transponder and reader.

Mounting and Clearance

Minimum Mounting Clearances between Safety Switches

epds

Detection Curves

Face to Face Mounting (Preferred Configuration)

epds
  • Sar: Assured release distance
  • Sao: Assured operating distance
  • (1) Recommended minimum mounting distance between transponder and reader.

Detection Curves

epds
  • Sar: Assured release distance
  • Sao: Assured operating distance
  • (1) Recommended minimum mounting distance between transponder and reader.
  • Sar: Assured release distance
  • Sao: Assured operating distance
  • (1) Recommended minimum mounting distance between transponder and reader.

Detection Curves

Side by Side Mounting

epds
  • Sar: Assured release distance
  • Sao: Assured operating distance
  • (1) X=0 for X<0
  • (2) X=0 for X>0
  • (3) Recommended minimum mounting distance between transponder and reader.

Detection Curves

epds
  • Sar: Assured release distance
  • Sao: Assured operating distance
  • (1) X=0 for X<0
  • (2) X=0 for X>0
  • (3) Recommended minimum mounting distance between transponder and reader.
  • Sar: Assured release distance
  • Sao: Assured operating distance
  • (1) X=0 for X<0
  • (2) X=0 for X>0
  • (3) Recommended minimum mounting distance between transponder and reader.

Expand all

Documents & Downloads

Document name
Date
Size

Expand all

Related products & accessories

img
XCSRK2A3

Telemecanique Safety switches XCS, Blank RFID Transducer for XCSRC3xxx

img
XCSRZSRC1

Telemecanique Safety switches XCS, Steel fixing plate for RFID Reader XCSRC**

img
XCSRZSTK1

Telemecanique Safety switches XCS, Steel fixing plate for RFID Transducer XCSRK2A*

img
XZCP11V12L2

Pre wired connectors XZ, straight female, M12, 5 pins, cable PUR 2 m

img
XZCP12V12L2

Pre wired connectors XZ, elbowed female, M12, 5 pins, cable PUR 2 m

img
XZCP29P12L2

Pre wired connectors XZ, straight female, M12, 8 pins, cable PUR 2 m

Back to top

arrow