XCCRB1

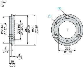
Collar for synchro mounting - for encoder Ø 58

End of commercialisation End of commercialization date : End of service date :

Expand all

Datasheet

Accessory / separate part type
Collar for synchro mounting
Accessory / separate part category
Mounting and fixing accessories
Accessory / separate part destination
Ø 58 mm encoder with solid shaft
Product compatibility
XCC1510P
XCC3510P
Unit type of package 1
PCE
Number of units in package 1
1
Package 1 height
5.8 CENTIMETER
Package 1 width
5.8 CENTIMETER
Package 1 length
10 CENTIMETER
Package 1 weight
42.9 GRAM
California proposition 65
WARNING: This product can expose you to chemicals including: Diisononyl phthalate (DINP), which is known to the State of California to cause cancer, and Di-isodecyl phthalate (DIDP), which is known to the State of California to cause birth defects or other reproductive harm. For more information go to www.P65Warnings.ca.gov

Expand all

Technical Drawings

Dimensions

epds
  • (1) 3 holes M4 x 0.7 at 120° on 42 PCD. TC M3 x 8 screw fixings
  • (2) 3 counterbored holes for TC M4 x 8 screws at 120° on 48 PCD

Expand all

Documents & Downloads

Document name
Date
Size

Back to top

arrow