XCC3506PS84SGN

Opto-electronic rotary encoders XCC, absolute encoder Ø 58 multi turn, solid shaft 6 mm, SSI 25 bit Gray

End of commercialisation End of commercialization date : End of service date :

Expand all

Datasheet

Range of product
OsiSense XCC
Device short name
XCC
Encoder type
Multiturn absolute encoder
Product specific application
Not applicable
Enclosure material
Steel
Shaft type
Solid shaft
Resolution
4096 turns/8192 points
Output stage
Type SG
Type of output stage
SSI 25-bit gray
Electrical connection
1 male connector M23 radial 12 pins
IP degree of protection
IP65 conforming to IEC 60529
[Us] rated supply voltage
11...30 V DC
Current consumption
0...100 mA no-load
Protection type
Reverse polarity protection
short-circuit protection
Marking
CE
Shaft tolerance
G7
Residual ripple
500 mV
Vibration resistance
10 gn (f= 10-2000 Hz) conforming to IEC 60068-2-6
Maximum load
10 daN radial, 5 daN axial
Physical interface
RS422
Shock resistance
30 gn for 11 ms conforming to IEC 60068-2-27
Output level
High level: 2 V minimum 20 mA
Base material
Aluminium
Shaft material
Stainless steel
Type of ball bearings
6900ZZ1
Unit type of package 1
PCE
Number of units in package 1
1
Package 1 height
8.5 CENTIMETER
Package 1 width
14 CENTIMETER
Package 1 length
27 CENTIMETER
Package 1 weight
725 GRAM
California proposition 65
WARNING: This product can expose you to chemicals including: Diisononyl phthalate (DINP), which is known to the State of California to cause cancer, and Di-isodecyl phthalate (DIDP), which is known to the State of California to cause birth defects or other reproductive harm. For more information go to www.P65Warnings.ca.gov

Expand all

Technical Drawings

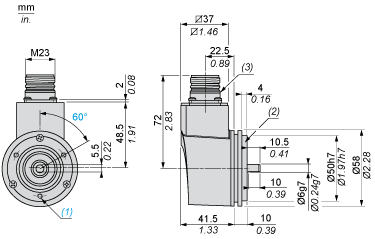
Dimensions

epds
  • (1) 3 M4 holes at 120° on 42 PCD, depth: 10 mm
  • (2) Collar XCCRB1 mounted
  • (3) Nitrile seal

Wiring Diagram

M23, 12-pin Connector, Anticlockwise Connections

epds

Technical Description

RS 422 Data Output

epds
  • (1) Idata = 20 mA |VOD| > 2 V

Technical Description

Isolated Clock Input

epds
  • (1) Idata = 20 mA |VOD| > 2 V
  • VID maximum: 5 V
  • Iclk maximum: 15 mA

Technical Description

DIRECTION Input

epds
  • (1) Idata = 20 mA |VOD| > 2 V
  • VID maximum: 5 V
  • Iclk maximum: 15 mA
  • A : Anticlockwise
  • B : Clockwise
  • (1) DIRECTION input
  • (2) DIRECTION of counting
  • (3) V supply

Technical Description

Input Stage - Reset to Zero

epds
  • (1) Idata = 20 mA |VOD| > 2 V
  • VID maximum: 5 V
  • Iclk maximum: 15 mA
  • A : Anticlockwise
  • B : Clockwise
  • (1) DIRECTION input
  • (2) DIRECTION of counting
  • (3) V supply
  • (1) Reset input
  • (2) Position
  • (3) V supply
  • (4) Position=0 (Reset to zero)

Expand all

Documents & Downloads

Document name
Date
Size

Expand all

Related products & accessories

img
XCCRAR0606

Shaft coupling, for encoder, with spring Ø 6 to 6 mm

img
XCCRAR0608

shaft coupling - for encoder - with spring Ø 6 to 8 mm

img
XCCRAR0610

Shaft coupling, for encoder, with spring Ø 6 to 10 mm

img
XCCRXS8

Shielded cable with twisted pairs, for absolute SSI encoder

img
XZCC23FDP120S

Female, M23, 12 pin, straight connector, for encoder

img
XZCC23FDP160S

Female, M23, 16 pin, straight connector, for encoder

Back to top

arrow