XCCRE9RN

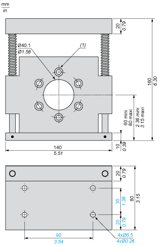
Bracket with play compensator - for encoder Ø 90

End of commercialisation End of commercialization date : End of service date :

Expand all

Datasheet

Accessory / separate part type
Fixing bracket
Accessory / separate part category
Fixing accessories
Accessory / separate part designation
Bracket with play compensator
Product compatibility
XCC1912P
XCC2912P
XCC3912P
Unit type of package 1
PCE
Number of units in package 1
1
Package 1 height
8.5 CENTIMETER
Package 1 width
15 CENTIMETER
Package 1 length
20 CENTIMETER
Package 1 weight
893 GRAM
California proposition 65
WARNING: This product can expose you to chemicals including: Diisononyl phthalate (DINP), which is known to the State of California to cause cancer, and Di-isodecyl phthalate (DIDP), which is known to the State of California to cause birth defects or other reproductive harm. For more information go to www.P65Warnings.ca.gov

Expand all

Technical Drawings

Dimensions

epds
  • (1) 6 counterbored holes for CHC M6 screws at 120° on 60 PCD

Expand all

Documents & Downloads

Document name
Date
Size

Back to top

arrow