XCC1514TSM50X

Opto-electronic rotary encoders XCC, incremental encoder Ø 58, through shaft 14 mm, 5000...80 K points, 5 V RS422

End of commercialisation End of commercialization date : End of service date :

Expand all

Datasheet

Range of product
OsiSense XCC
Encoder type
Incremental encoder
Product specific application
Not applicable
Encoder name
XCC
Enclosure material
Zamak
Complementary function
Parameterable
[Us] rated supply voltage
4.75...30 V DC
Shaft type
Through shaft
Resolution
5000...80000 points
Output stage
Type X
Type of output stage
Driver 5V, RS422
Electrical connection
1 male connector M23 radial 12 pins
IP degree of protection
IP65 conforming to IEC 60529
Current consumption
0...75 mA no-load
Protection type
Reverse polarity protection
short-circuit protection
Marking
CE
Shaft tolerance
H7
Residual ripple
500 mV
Vibration resistance
10 gn (f= 55-2000 Hz) conforming to IEC 60068-2-6
Maximum load
2 daN axial, 5 daN radial
Shock resistance
30 gn for 11 ms conforming to IEC 60068-2-27
Output level
Low level: 0.5 V maximum 20 mA, high level: 4.5 V minimum 20 mA
Base material
Aluminium
Shaft material
Stainless steel
Type of ball bearings
6803ZZ
Unit type of package 1
PCE
Number of units in package 1
1
Package 1 height
8.5 CENTIMETER
Package 1 width
14 CENTIMETER
Package 1 length
27 CENTIMETER
Package 1 weight
435 GRAM
California proposition 65
WARNING: This product can expose you to chemicals including: Diisononyl phthalate (DINP), which is known to the State of California to cause cancer, and Di-isodecyl phthalate (DIDP), which is known to the State of California to cause birth defects or other reproductive harm. For more information go to www.P65Warnings.ca.gov

Expand all

Technical Drawings

Dimensions

epds
  • (1) Through shaft, Ø 14 (H7)
  • (2) Flexible mounting kit, 1 x XCCRF5N mounted
  • (3) 2 HC M4 x 4 locking screws
  • (4) Blanking plug
epds
  • (1) Through shaft, Ø 14 (H7)
  • (2) Flexible mounting kit, 1 x XCCRF5N mounted
  • (3) 2 HC M4 x 4 locking screws
  • (4) Blanking plug
  • (1) Blanking plug

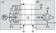
Wiring Diagram

Type X Output Stage

epds
  • (1) Encoder
  • (2) Processing
  • (3) Supply 4.75 V/30 V
  • (4) Supply 5 V

Wiring Diagram

M23, 12-pin Connector Connections

epds

Wiring Diagram

Resolutions for Parameterable Ø 58 mm Encoders

epds

Expand all

Documents & Downloads

Document name
Date
Size
Document name
Date
Size

Expand all

Related products & accessories

img
XCCPM23122L10

Pre wired M23 female connector, for absolute SSI encoder, cable 10 m

img
XCCPM23122L5

Pre wired M23 female connector, for absolute SSI encoder, cable 5 m

img
XCCR158RDA06

reduction collar - for encoder Ø 58 - Ø 14 to 6 mm

img
XCCR158RDA08

reduction collar - for encoder Ø 58 - Ø 14 to 8 mm

img
XCCR158RDA10

Reduction collar, for encoder Ø 58, Ø 14 to 10 mm

img
XCCR158RDA12

Reduction collar, for encoder Ø 58, Ø 14 to 12 mm

img
XCCRX10

Shielded cable, for incremental encoder

img
XCCRXS8

Shielded cable with twisted pairs, for absolute SSI encoder

img
XZCC23FDP120S

Female, M23, 12 pin, straight connector, for encoder

Back to top

arrow