XCC1406TR05R

Incremental encoder Ø 40 - through shaft 6 mm - 500 points - 5V RS422

End of commercialisation 下架日期 : 终止服务日期 :

展开全部

参数资料

Range of product
OsiSense XCC
Encoder type
Incremental encoder
Product specific application
Not applicable
Encoder name
XCC
Enclosure material
Aluminium
zamak
Cable composition
8 x 0.14 mm²
[Us] rated supply voltage
5 V DC
Shaft type
Through shaft
Resolution
500 points
Output stage
Type R
Type of output stage
Driver 5V, RS422
Electrical connection
Cable radial shielded
IP degree of protection
IP52 conforming to IEC 60529
Current consumption
0...100 mA no-load
Marking
CE
Shaft tolerance
H7
Residual ripple
200 mV
Vibration resistance
10 gn (f= 10-500 Hz) conforming to IEC 60068-2-6
Maximum load
1 daN axial, 2 daN radial
Shock resistance
30 gn for 11 ms conforming to IEC 60068-2-27
Output level
Low level: 0.5 V maximum 20 mA, high level: 2.5 V minimum 20 mA
Base material
Aluminium
zamak
Shaft material
Aluminium
stainless steel
Type of ball bearings
688AZZ1
Unit type of package 1
PCE
Number of units in package 1
1
California proposition 65
WARNING: This product can expose you to chemicals including: Diisononyl phthalate (DINP), which is known to the State of California to cause cancer, and Di-isodecyl phthalate (DIDP), which is known to the State of California to cause birth defects or other reproductive harm. For more information go to www.P65Warnings.ca.gov

展开全部

技术图纸

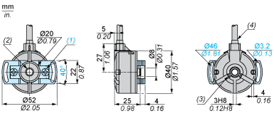
Dimensions

epds
  • (1) 2 M4 holes at 120° for cross-headed screws on 30 PCD, depth: 6 mm
  • (2) Through shaft, Ø 6 (H7)
  • (3) 2 M2 x 3 flat cross-headed locking screws
  • (4) Ø 6 cable, length 2 m, minimum bend radius: 30 mm

Wiring Diagram

Type R Output Stage

epds
  • (1) Encoder
  • (2) Processing
  • (3) Supply 5 V

Wiring Diagram

展开全部

文档和下载

文档名称
日期
大小
文档名称
日期
大小

展开全部

相关产品和配件

img
XCCPM23121L10

Pre wired M23 female connector, for incremental encoder, cable 10 m

img
XCCPM23121L2

Pre wired M23 female connector, for incremental encoder, cable 2 m

img
XCCPM23121L5

Pre wired M23 female connector, for incremental encoder, cable 5 m

img
XCCRAR1014

shaft coupling - for encoder - with spring Ø 10 to 14 mm

img
XCCRAR1016

shaft coupling - for encoder - with spring Ø 10 to 16 mm

img
XCCRAS1008

shaft coupling - for encoder - homokinetic with bellows Ø 10 to 8 mm

img
XCCRAS1010

Shaft coupling, for encoder, homokinetic with bellows Ø 10 to 10 mm

img
XCCRAS1012

Shaft coupling, for encoder, homokinetic with bellows Ø 10 to 12 mm

img
XCCRAS10U25

shaft coupling - for encoder - homokinetic with bellows Ø 10 mm to 0.25 inch

img
XCCRAS10U37

shaft coupling - for encoder - homokinetic with bellows Ø 10 mm to 0.375 inch

img
XCCRB1

collar for synchro mounting - for encoder Ø 58

img
XCCRB3

IP67 sealed collar, for encoder Ø 58

img
XCCRB6

fixing collar - for encoder Ø 58

img
XCCRE5RN

Bracket with play compensator, for encoder Ø 58

img
XCCRE5SN

Plain bracket, for encoder Ø 58

img
XCCRF4

flexible mounting kit - anti-rotation - for encoder Ø 40

img
XCCRF5N

flexible mounting kit - anti-rotation - for encoder Ø 58

img
XCCRG5

set of 3 eccentric clamps - for encoder Ø 58

img
XCCRX10

Shielded cable, for incremental encoder

img
XCCRXS8

Shielded cable with twisted pairs, for absolute SSI encoder

img
XZCC23FDP120S

Female, M23, 12 pin, straight connector, for encoder

Back to top

arrow