XCC3514TS84SG

Opto-electronic rotary encoders XCC, absolute encoder Ø 58 multi turn, through shaft 14 mm, SSI 25 bit Gray

End of commercialisation 下架日期 : 终止服务日期 :

展开全部

参数资料

Range of product
OsiSense XCC
Device short name
XCC
Encoder type
Multiturn absolute encoder
Product specific application
Not applicable
Enclosure material
Steel
Shaft type
Through shaft
Resolution
4096 turns/8192 points
Output stage
Type SG
Type of output stage
SSI 25-bit gray
Electrical connection
1 male connector M23 radial 12 pins
IP degree of protection
IP65 conforming to IEC 60529
[Us] rated supply voltage
11...30 V DC
Current consumption
0...100 mA no-load
Protection type
Reverse polarity protection
short-circuit protection
Marking
CE
Shaft tolerance
H7
Residual ripple
500 mV
Vibration resistance
10 gn (f= 10-2000 Hz) conforming to IEC 60068-2-6
Maximum load
2 daN axial, 5 daN radial
Physical interface
RS422
Shock resistance
30 gn for 11 ms conforming to IEC 60068-2-27
Output level
High level: 2 V minimum 20 mA
Base material
Aluminium
Shaft material
Stainless steel
Type of ball bearings
6803ZZ
Unit type of package 1
PCE
Number of units in package 1
1
Package 1 height
8.5 CENTIMETER
Package 1 width
14 CENTIMETER
Package 1 length
27 CENTIMETER
Package 1 weight
655 GRAM
California proposition 65
WARNING: This product can expose you to chemicals including: Diisononyl phthalate (DINP), which is known to the State of California to cause cancer, and Di-isodecyl phthalate (DIDP), which is known to the State of California to cause birth defects or other reproductive harm. For more information go to www.P65Warnings.ca.gov

展开全部

技术图纸

Dimensions

epds
  • (1) Through shaft, Ø 14 (H7)
  • (2) Flexible mounting kit, 1 x XCCRF5N mounted
  • (3) 2 HC M4 x 4 locking screws
  • (4) Hole for M3 x 6 self-threading screw
  • (5) Nitrile seal

Wiring Diagram

M23, 12-pin Connector, Anticlockwise Connections

epds

Technical Description

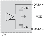
RS 422 Data Output

epds
  • (1) Idata = 20 mA |VOD| > 2 V

Technical Description

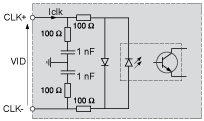
Isolated Clock Input

epds
  • (1) Idata = 20 mA |VOD| > 2 V
  • VID maximum: 5 V
  • Iclk maximum: 15 mA

Technical Description

DIRECTION Input

epds
  • (1) Idata = 20 mA |VOD| > 2 V
  • VID maximum: 5 V
  • Iclk maximum: 15 mA
  • A : Anticlockwise
  • B : Clockwise
  • (1) DIRECTION input
  • (2) DIRECTION of counting
  • (3) V supply

Technical Description

Input Stage - Reset to Zero

epds
  • (1) Idata = 20 mA |VOD| > 2 V
  • VID maximum: 5 V
  • Iclk maximum: 15 mA
  • A : Anticlockwise
  • B : Clockwise
  • (1) DIRECTION input
  • (2) DIRECTION of counting
  • (3) V supply
  • (1) Reset input
  • (2) Position
  • (3) V supply
  • (4) Position=0 (Reset to zero)

展开全部

文档和下载

文档名称
日期
大小
文档名称
日期
大小

展开全部

相关产品和配件

img
XCCPM23121L10

Pre wired M23 female connector, for incremental encoder, cable 10 m

img
XCCPM23121L2

Pre wired M23 female connector, for incremental encoder, cable 2 m

img
XCCPM23121L5

Pre wired M23 female connector, for incremental encoder, cable 5 m

img
XCCRAE0606

Shaft coupling, for encoder, elastic monobloc Ø 6 to 6 mm

img
XCCRAR0614

shaft coupling - for encoder - with spring Ø 6 to 14 mm

img
XCCRAS0606

Shaft coupling, for encoder, homokinetic with bellows Ø 6 to 6 mm

img
XCCRAS0608

shaft coupling - for encoder - homokinetic with bellows Ø 6 to 8 mm

img
XCCRAS0610

Shaft coupling, for encoder, homokinetic with bellows Ø 6 to 10 mm

img
XCCRAS0612

shaft coupling - for encoder - homokinetic with bellows Ø 6 to 12 mm

img
XCCRAS06U25

shaft coupling - for encoder - homokinetic with bellows Ø 6 mm to 0.25 inch

img
XCCRAS06U37

shaft coupling - for encoder - homokinetic with bellows Ø 6 mm to 0.375 inch

img
XCCRE5S

plain bracket - for encoder Ø 58

img
XCCRF5N

flexible mounting kit - anti-rotation - for encoder Ø 58

img
XCCRG5

set of 3 eccentric clamps - for encoder Ø 58

img
XCCRM23SUB37NG

deserialisation jumper cable - SSI Gray//Gray NPN (NG) - for encoder

img
XCCRM23SUB37PG

Deserialisation jumper cable, SSI Gray//Gray PNP (PG), for encoder

img
XCCRXS8

Shielded cable with twisted pairs, for absolute SSI encoder

img
XZCC23FDP120S

Female, M23, 12 pin, straight connector, for encoder

img
XZCC23FDP160S

Female, M23, 16 pin, straight connector, for encoder

Back to top

arrow