XCCRB2

Substitution interface collar - for encoder Ø 90

End of commercialisation 下架日期 : 终止服务日期 :

展开全部

参数资料

Accessory / separate part type
Substitution interface collar
Accessory / separate part category
Mounting and fixing accessories
Accessory / separate part destination
Ø 90 mm encoder with solid shaft
Product compatibility
XCC1912P
XCC3912P
Unit type of package 1
PCE
Number of units in package 1
1
Package 1 height
8.5 CENTIMETER
Package 1 width
10 CENTIMETER
Package 1 length
10 CENTIMETER
Package 1 weight
179 GRAM
California proposition 65
WARNING: This product can expose you to chemicals including: Di-isodecyl phthalate (DIDP) and Diisononyl phthalate (DINP) which is known to the State of California to cause Carcinogen and Reproductive harm. For more information go to www.p65warnings.ca.gov

展开全部

技术图纸

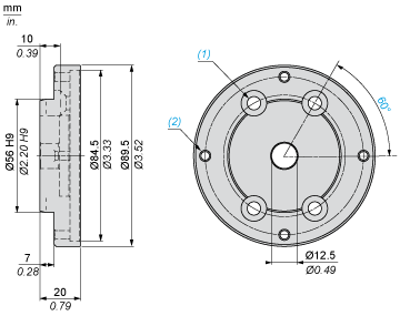
Dimensions

epds
  • (1) 4 holes Ø 6.6 at 120° on 60 PCD. Countersunk for TZ M6 x 16 screws
  • (2) 4 holes M5 x 0.8 at 90° on 78 PCD

展开全部

文档和下载

文档名称
日期
大小

Back to top

arrow