XUSL4E30H121L

Safety light curtain type 4, Telemecanique Safety light curtains XUSL, XUSL For hand protection, Long sensing range, Hp = 1210 mm, R=30 mm

arrow

Commercialised

Expand all

Datasheet

Range of product
Telemecanique Safety light curtains XUSL
Product or component type
Safety light curtain type 4
Device short name
XUSL4E
Output type
2 safety outputs OSSD solid-state PNP (arc suppression)
Product specific application
For hand protection
Type of start
Automatic
manual
Control type
Selected by wiring
Detection system
Transmitter-receiver system
Response time
9.5 ms
Kit composition
adjustable mounting bracket(s), 1 receiver(s), 1 transmitter(s), 1 user guide with certificate of conformity on CD-ROM
Emission
IR LED 950 nm
[Us] rated supply voltage
24 V DC +/- 20 %
Supply
Power supply conforming to IEC 61496-1, power supply conforming to IEC 60204-1
Current consumption
42 mA no-load transmitter, 83 mA no-load receiver, 42 mA transmitter, 900 mA with maximum load receiver
Output voltage
24 V
Output circuit type
DC
Voltage drop
<0.5 V
Local signalling
1 multi-colour LED transmitter, 2 dual colour LEDs receiver
Electrical connection
1 male connector M12 5 pins transmitter, 1 male connector M12 8 pins receiver
Function available
Test, muting through external safety module XPSLCMUT1160, LED display of operating modes and faults
Marking
CE
Material
Aluminium: casing, polycarbonate: front panel, polypropylene: end caps
Housing colour
Red RAL 3000
Fixing mode
By fixing brackets
Offer type
Long distance
Directives
89/336/EEC - electromagnetic compatibility
89/655/EEC - work equipment
98/37/EEC - machinery
Product certifications
CE
cULus
TÜV
Safety level
Type 4 conforming to IEC 61496-1, SIL 3 conforming to IEC 61508, SILCL 3 conforming to IEC 62061, category 4 conforming to ISO 13849-1, PL = e conforming to ISO 13849-1
Environmental characteristic
Resistance to light disturbance conforming to IEC 61496-2
Safety reliability data
PFHd = 1.54E-8 1/h conforming to IEC 61508
IP degree of protection
IP65, IP67
Shock resistance
10 gn for 16 ms conforming to IEC 61496-1
Vibration resistance
0.35 +/- 0.05 mm (f= 10-55 Hz) conforming to IEC 61496-1
Unit type of package 1
PCE
Number of units in package 1
1
Package 2 height
14.5 CENTIMETER
Package 2 width
19.5 CENTIMETER
Package 2 length
134 CENTIMETER
Package 2 weight
4.3 KILOGRAM
Indivisible sale quantity
1
California proposition 65
WARNING: This product can expose you to chemicals including: Diisononyl phthalate (DINP), which is known to the State of California to cause cancer, and Di-isodecyl phthalate (DIDP), which is known to the State of California to cause birth defects or other reproductive harm. For more information go to www.P65Warnings.ca.gov

Expand all

Technical Drawings

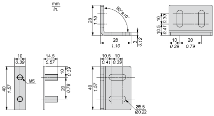
Dimensions

epds

Brackets Dimensions

epds

Mounting and Clearance

epds
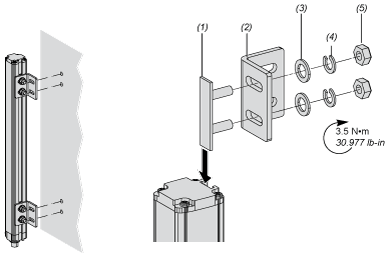
  • (1) Insert
  • (2) Bracket
  • (3) Washer
  • (4) Spring washer
  • (5) Nut

Wiring Diagrams

Transmitter Connections

epds
  • (1) +24 Vdc
  • (2) Configuration_0
  • (3) 0 Vdc
  • (4) Configuration_1
  • (5) FE

Wiring Diagrams

Receiver Connections

epds
  • (1) +24 Vdc
  • (2) Configuration_0
  • (3) 0 Vdc
  • (4) Configuration_1
  • (5) FE
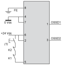
  • (1) OSSD1
  • (2) + 24 V
  • (3) OSSD2
  • (4) Configuration_A
  • (5) K1_K2 Feeback/Restart
  • (6) Configuration_B
  • (7) 0 Vdc
  • (8) FE

Receiver Configurations and Operating Modes

Automatic Start/Restart

epds

Automatic Start/Restart

epds

Receiver Configurations and Operating Modes

Manual Start/Restart

epds
  • (1) Restart

Manual Start/Restart

epds
  • (1) Restart
  • (1) Restart

Connecting to a Safety Interface

epds
  • 1 : Click on Download & Documents
  • 2 : Click on Application solutions

Expand all

Documents & Downloads

Document name
Date
Size
Document name
Date
Size

Expand all

Related products & accessories

img
XUSZVA12

Telemecanique Safety light curtains XUSL, Anti vibration kit comprising 12 dampers

img
XUSZWPE120

Telemecanique Safety light curtains XUSL, Protective screen 1245 mm for light curtains

Back to top

arrow